September 25, 2023

Share:

The electrification and automation trends in automotive applications are driving the emergence of zonal controllers to reduce cabling weight and simplify the vehicle’s architecture into localized power hubs.

Designers can take advantage of this emerging architecture to replace legacy fuses and mechanical relays with eFuses which are more compact and provide more advanced protection features including faster, and more accurate response during a fault condition. The eFuses integrate the protection and switching features into a single small form factor package.

eFuses are an important piece of the localized power distribution scheme, providing critical, intelligent protection to the multiple points of load such as electronic control units (ECUs) of the vehicle as shown in Figure 1. These eFuses are responsible for protecting sensors (proximity, temperature, etc…), cameras, low-voltage motors (for car seats, windows controls) as well as headlights and taillights throughout the vehicle against overcurrent events.

Figure 1: eFuses used in zonal control units.

Another challenge for designers is driving multiple independent (resistive, capacitive, and inductive) loads within each ECU network when the printed circuit board (PCB) is restricted to a minimal area. Each ECU load may have different current and voltage range requirements, which may force designers to use multiple eFuses variants. Additionally, the stringent automotive requirements specify that the eFuses must withstand short-to-ground events ensuring the power supply is not affected and other branches of downstream loads never see such transients.

The new NIV3071 eFuse from onsemi features 8 V to 60 V operating input voltage range, enabling designers to drive multiple parallel loads simultaneously by integrating 4 independent channels in a compact 5x6mm package. Each independent channel can support 2.5A continuous current and 10A continuous current when all 4 channels are paralleled. The NIV3071 supports a wide range of loads including resistive, inductive, and capacitive. The NIV3071 has been tested to drive large capacitive loads, allowing up to 1mF capacitive charging, at Vin = 52 V, 60ms ramp, Iout = 866mA, Ta = 25°C. The wide operating input voltage range makes the NIV3071 ideal for both 12V and 48V automotive applications.

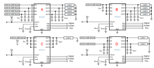
Additionally, automotive designers can take advantage of NIV3071’s flexibility to drive a wide range of loads in multiple configurations as shown in Figure 2. The 4 independent channels may be driven with different voltage levels of any value within the operating range (typically, but not limited to 12 V, 24 V, 36 V and 48 V) as shown in configuration A. The device may also be driven by a single power source by tying all inputs together (i.e. 48 V) to drive 4 different downstream loads, as shown in configuration B. Configuration C shows the NIV3071 used a single channel to drive up to 10A continuous current, while configuration D highlights the eFuse driving 2 loads up to 5 A each.

Figure 2: NIV3071 configurations.

The NIV3071 enables a robust design with its capability to withstand short-to-ground events for input voltages ≤60 V, with up to 5 uH inductance representing the wiring harness on both inputs and outputs without the need for output Schottky diodes as shown in Figure 3. The NIV3071 also supports operation with various loads, including charging capacitive loads up to 1 mF at 25°C ambient.

N/A

The NIV3071 eFuse is a performance upgrade from traditional fuses and positive temperature coefficient fuses (PTCs). During short-circuit events the efuses ensure that downstream loads are always protected in a fault scenario. Figure 4 illustrates the fast response time of the NIV3071 by its ability to minimize current spikes while ensuring a stable power supply (VCC) for any other circuitry (connected to the same power supply).

N/A

 In summary, eFuses are a critical element of zonal control architectures to guarantee the protection and robustness of the localized ECUs throughout the vehicle. With its wide operating voltage and ability to drive multiple parallel loads simultaneously, the NIV3071 allows for minimizing the required PCB area for the protection scheme while driving multiple downstream loads. The NIV3071 provides a robust zonal control design without the need for additional discrete protection circuitry as it is capable of withstanding short-to-GND events up to 60V and up to 5uH inductance of connected wiring harness on the eFuse channels. The NIS3071, a comparable industrial version, is also available.

Learn more about the NIV3071 eFuse for your next automotive design.

Additional Resources:

Contributors

Pavel Šádek, Application Engineer, onsemi

Pavel currently serves as an applications engineer at onsemi. He is responsible for defining, applying and validating eFuse technology in different use cases. With over 2 decades of experience in the semiconductor industry, he is a seasoned veteran in various engineering and management roles covering products and solutions for appliances, TVs, connectivity, ultrasonics, and capacitive touch sensing. Pavel holds a master's degree in Electrical, Electronics & Communications Engineering from Brno University of Technology.

Lee Schuller, Application Engineer, onsemi

Lee is an applications engineer with the eFuse team at onsemi where he's responsible for new product definition, working with customers, and testing solutions in the lab. He holds a mater degree in electrical engineering from Arizona State University.