June 11, 2024

Share:

壁に設置されたコンセントから給電されるすべての電子機器は、何らかの形式のオフライン・スイッチモード電源(SMPS)を使用しており、ACグリッド電圧を電子機器で使用するDC電圧に変換します。オフラインSMPSは、絶縁トランスを備えたスイッチング電源で、数Wから数kWソリューションまでの電力範囲をカバーします。オフラインSMPSは、民生用電子機器、産業用電源、データセンタから通信基地局に至るまで、さまざまな電子機器に信頼性と安全性の高い電力を供給するために広く導入されており、不可欠です。

オフラインSMPSを設計する際、電力レベル、電圧、安全要件、サイズなど、設計を成功させるために考慮すべき要素が多数あります。


オフラインSMPSと一般的なトポロジの理解

基本的に、オンラインSMPSは二段階変換を使用します。まず、主電源グリッド電圧は、最初のステージで力率補正回路(PFC)によって整流および整形されます。PFCステージの出力電圧は、予想される入力ピーク電圧よりも少し高くなるように設定されています。単相ソリューションの場合、主電源グリッド電圧は通常約380~400VDC程度です。PFCステージの出力は安定しており、比較的よく調整されたDC電圧なので、次のDC-DCステージはそれほど複雑にはなりません。ほとんどのオフラインSMPSでは、PFCは単相ですが、高出力ユニット(数kW)では3相にすることができます。


オフラインSMPSの主要要素
図1:オフラインSMPSの主要要素


PFCステージは、システムの皮相電力を低減することで効率を改善することを目的としています。電流と電圧の位相差(「力率」)ができるだけ小さくなるように補正し、また電流波形をできるだけ純粋な正弦波に近づけることで、全高調波歪み(THD)を最小限に抑えます。

DC-DCステージ(多くの場合、LLCコンバータ)はPFC出力を取り込み、複数の独立した出力があることを念頭に置いて、これを所望の電圧に変換します。このステージにはガルバニック絶縁トランスも含まれており、電圧をレベルシフトするだけでなく安全な絶縁も提供します。トランスは直流に対応できないため、PFCステージからの入力DCは交流に変換され、整流されて出力に送られます。

効率(出力に供給される電力と入力で消費される電力との比率)は、あらゆるSMPSにとって極めて重要なパラメータです。これは運用コストに影響しますが、それ以上に重要なのは、熱として現れる内部損失を定義することです。これにより、SMPSの動作時にどの程度の冷却が必要になるかが決まります。必要なファンやヒートシンクの冷却量が多ければ多いほど、ソリューションは大きく、重く、高価になります。


オフラインSMPS技術の進歩

最高レベルの性能を目指して、オフラインSMPS内で使用される技術は継続的に進歩しています。

ブーストPFCは、そのシンプルな構造と分かりやすい制御戦略により、今日では幅広い電力に一般的に使用されています。インダクタ電流は連続的であり、電磁干渉(EMI)が少なく、電流波形の歪みが少ないため、力率が向上します。単相ブーストPFCは約380Vの安定化されたDC出力を持ち、このDC出力はDC/DCコンバータによって変換されます。

さらに、DC-DCステージではLLCコンバータがますます普及しつつあります。これらの共振コンバータは、共振タンクの動作周波数を比較的狭い範囲で変化させることで出力を調整して、ソフトスイッチングモードで動作します。これにより効率を改善し、EMI を低減します。LLCコンバータは動作周波数を高くして、小型の受動部品を使用できるようにすることができます。


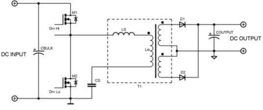
シンプルなLLCコンバータ
図2:シンプルなLLCコンバータ


同期整流またはアクティブ整流は、整流ダイオードをアクティブスイッチに置き換えることで効率を改善し、導通損失を低減する技術です。半導体ダイオードが比較的一定の電圧降下(通常0.5~1 V)を示すのに対し、

MOSFETスイッチは抵抗として機能するため、電圧降下が非常に小さくなります。さらに改良が必要な場合は、MOSFETスイッチを並列にして、より大きな高い出力電流を扱うことができます。このような場合、並列接続されたデバイスのRDSONはそれぞれのRDSONの逆数の合計に等しくなるため、導通損失が減少します。

また、従来のシリコン(Si)がさらなる大幅な性能向上の限界に達したため、半導体の材料も進化しています。シリコンカーバイド(SiC)のような新しいワイドバンドギャップ(WBG)材料は、高いスイッチング周波数や高い動作電圧時に効率よく動作可能なため、電力設計でますます普及が拡大しています。

WBGデバイスは、逆回復特性が優れているため損失が少なく、変換効率の向上に大きく貢献しています。その結果、WBGデバイスは高温で動作可能なため、使用時の熱軽減要件が緩和されます。


オンセミソリューション

オンセミは、現在入手可能なオフラインSMPS向けソリューションの中で、最も幅広いポートフォリオの一つを備えています。この製品群の中心は、PFCおよびDC/DCコンバータステージ、パワーMOSFET、整流器、ダイオード用コントローラです。これはMOSFETゲートドライバ(同期整流用を含む)、オプトカプラ、低ドロップアウト(LDO)レギュレータ、およびその他のデバイスでサポートされています。

現代の高性能デバイスをリードするこの製品群には、最も課題が多いオフラインSMPSアプリケーションで使用されるSiCデバイス(ダイオードおよびMOSFET)が多数含まれています。

オンセミの製品群(および少数の受動部品)を使用することで、数Wから数kWのオフラインSMPSを設計することができます。この分野におけるオンセミの経験により、設計者は業界をリードする性能と信頼性を備えたソリューションを確保できます。


結論

オフラインSMPSは最も一般的なサブシステムの一つで、ほとんどすべての主電源接続デバイスに搭載されています。しかし、設計を成功させるには、安全性とEMI規制に適合する必要があり、特に効率面での性能に対する要件はますます高まっています。

このような設計に必要なデバイスの一部を製造している企業は何社かありますが、完全な設計を遂行するのに必要なすべてのコンポーネント(受動部品を除く)をカバーする包括的な製品ラインナップを揃えた企業は(存在したとしても)ほとんどありません。1社のサプライヤからコンポーネントを調達することは、デバイスが連携して動作するように設計およびテストされていることが分かっているなど、大きな利点があります。

オンセミの電源ソリューションの詳細については、こちらをご覧ください。包括的なオフラインSMPSシステムソリューションガイドも提供しています。


その他の資料:

Featured

NCP1680
Totem-Pole Critical Conduction Mode (CrM) Power Factor Correction Controller
NCV4390
Advanced Secondary Side LLC Resonant Converter Controller with Synchronous Rectifier Control